

![]() | 型號:SCGP8-292MGPPF-XXX 描述:8通道柔性電纜組件 ,2.92公頭-GPPO母頭,DC-40GHz,配接Micro-Coax原裝進口電纜HFE100D 阻抗:50Ω |
![]() | 型號:SCGP8-J8MD 描述:GPPO(Mini-SMP)(公)端接連接器,8通道,配接PCB, DC-40GHz 阻抗:50Ω |

SCGP8-292MGPPF-XXX

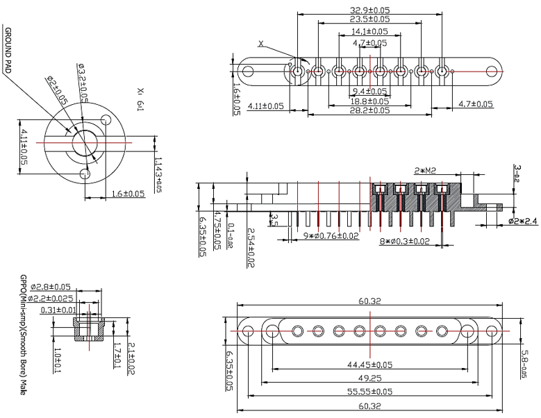
SCGP8-J8MD
基本信息 | SCGP8-292MGPPF-XXX |
連接器1類型 | GPPO(Mini-SMP),母 |
連接器1體型 | 直 |
連接器1極性 | 標準 |
連接器1材質 | 鈹銅鍍金 |
連接器2類型 | 2.92mm,公 |
連接器2體型 | 直 |
連接器2極性 | 標準 |
連接器2材質 | 不銹鋼 |
配接電纜 | HFE100D |
鎧甲類型 | 無 |
電氣性能參數 | |
阻抗 | 50Ω |
頻率范圍 | DC-40GHz |
駐波比 | ≤1.5 |
插入損耗 | 詳見產品規格資料 |
相位匹配 | 8通道間±30°@40GHz |
屏蔽性能 | <-100dB@1GHz |
額定功率 | 110W@2GHz,VSWR1.0 |
環境參數 | |
工作溫度范圍 | -40°C至+125°C |
2002/95/EC(RoHS) | 符合 |
電纜參數 | |
中心導線 | 鍍銀銅線 |
絕緣體 | 實芯PTFE |
護套 | FEP |
電容(pF/m) | 96.1 |
傳播速度(%) | 70 |
最小彎曲半徑 | 6.35mm |
護套直徑 | 2.54mm±0.13 |
基本信息 | SCGP8-J8MD |
連接器1類型 | GPPO(Mini-SMP),公 |
連接器1體型 | 直 |
連接器1極性 | 標準 |
連接器1材質 | 鈹銅鍍金 |
端接方式 | 接PCB |
電氣性能參數 | |
阻抗 | 50Ω |
頻率范圍 | DC-40GHz |
插入損耗 | ≤0.1 xSqt.(f_GHz) |
環境參數 | |
工作溫度范圍 | -55°C至+165°C |
2002/95/EC(RoHS) | 符合 |
電纜參數 | |
中心導體 | 鍍金銅 |
外部導體 | 不銹鋼 |
殼體 | 鍍金銅 |
針腳 | 鍍金銅 |
絕緣體 | PTFE |