





主要特征:
主要應用:
光譜學

示例:當4臺設備級聯組成一個四通道輸出的相參源系統時,無需從外部額外引入共參考,APMSYN40標準提供了準確度高達±30ppb的1GHz高頻高穩定度的參考時鐘輸出(1GHz高頻參考同步信號對于長時間穩定輸出相位相干信號至關重要!)。此時的同步時鐘僅需在主設備上設置產生,從設備僅需設置為1GHz的外參考輸入,所有的從設備1GHz外參考輸入實際上都是由主設備輸出的,并經由第一個從設備內部功分及放大傳遞至下一個從設備,如此循環可實現非常多通道輸出的相參系統!

APMSYN40 SSB相位噪聲性能
主要技術指標:

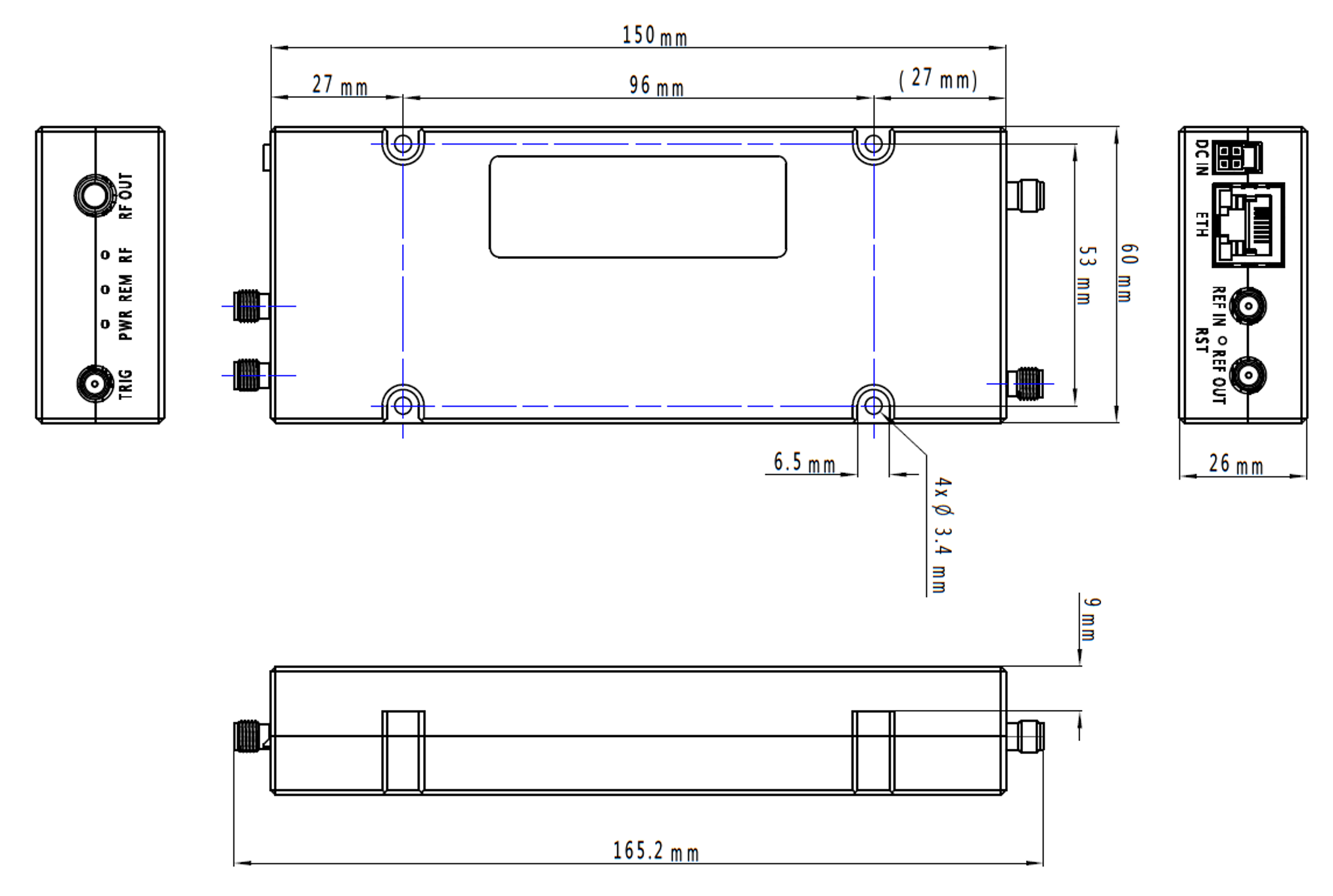
結構尺寸:

訂貨信息:

更多AnaPico產品資料可查看安鉑克科技(上海)有限公司:APMSYN40頻率綜合器模塊—最高輸出40GHz-安鉑克科技(上海)有限公司 (anapico.net.cn)